您所在的位置:首页 - 科学研究 - 科研动态

科研动态

基于可靠辨识不同工况下的长周期过程智能PID整定

中文题目:基于可靠辨识不同工况下的长周期过程智能PID整定

论文题目Reliable identification based intelligent PID tuning for long-period process control under different working conditions

录用期刊/会议:【Journal of the Taiwan Institute of Chemical Engineers】 (中科院大类 3区,JCR Q1)

原文DOI:10.1016/j.jtice.2024.105630

原文链接:http://doi.org/10.1016/j.jtice.2024.105630

录用/见刊时间: 2024.06.14

封面图片:



封面摘要:该研究成果由王珠老师团队完成,已被Journal of the Taiwan Institute of Chemical Engineers(中科院大类 3区,JCR Q1)收录。

作者列表

1)周建桥 中国免费靠逼视频(北京)人工智能学院 控制工程专业 博 21

2)王珠 中国免费靠逼视频(北京)人工智能学院 自动化系教师

3)罗雄麟 中国免费靠逼视频(北京)人工智能学院 自动化系教师

摘要:

本文提出了一种基于可靠辨识技术的智能PID调节方法。主要贡献包括:(i)利用Lyapunov理论,保证了所提算法辨识误差的有界性;(ii)提出了LMPSO算法,提高了全局搜索能力和搜索效率;(iii)针对全过程在线闭环智能PID控制器提出了一种新的优化方案。该方案旨在不改变工业控制器结构的情况下提高其性能。

背景与动机:

化工过程模型会随着运行条件的变化而经常改变。然而,工业大多采用离线校准和在线定值调试方案,难以保证控制质量。因此,需要一种长周期在线智能PID控制器整定方案。

设计与实现:

(1) 时间序列动态数据采集过程:在当前的运行控制系统中,所有控制回路的OP和PV数据均以最高频率从DCS实时数据库中采集并存储到本地数据库中。

(2) 建立数字孪生系统:从本地数据库中获取实时数据。利用可靠的递归辨识技术构建动态过程模型,用于后续的拟合函数计算。同时,实时更新本地数据库中的模型参数。

(3) 确定控制目标和性能指标:根据控制目标选择合适的性能指标和权重。

(4) 粒子群智能搜索:确定粒子群的大小和迭代次数,每个粒子代表一个PID控制参数组合。

(5) 进行系统性能评估:应使用最优参数重新运行控制系统,并评估系统的性能指标。

(6) 长周期可靠运行:确定慢率更新间隔,重复步骤1至5。“慢率”是指PID的更新频率远低于传感器的数据采集频率。



图1 算法流程图

主要内容:

  1. 可靠递推辨识

采用高阶线性时变模型作为辨识模型,并利用可靠的递归辨识算法来跟踪的时变参数。"可靠"包含两层含义:(i)在较小激励输入下的可辨识性;(ii)有界随机噪声下辨识误差的有界性。本文提出一种具有离散Nussbaum增益的递推辨识算法,并对该辨识算法进行了收敛性分析。

  1. 智能PID整定

本文对PSO算法进行改进,提出LMPSO算法,惯性权重由Levy飞行决定。Levy飞行能使粒子有概率出现较大步前进,帮助粒子群摆脱局部最优。“记忆”一词指的是PSO群体具有精英粒子记忆能力,这可以提高粒子群搜索的效率。为了实现控制目标,本文采用了综合性能指标,“性能”包括积分误差性能和时域性能。

实验结果及分析:

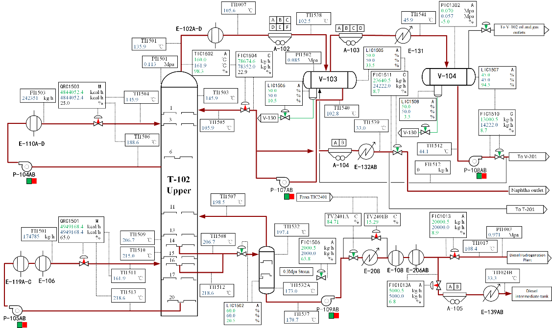
本文在中国免费靠逼视频炼油与自动化模拟实习基地进行的工业实验。本文利用UniSim仿真系统对500万吨常压和真空蒸馏装置进行了模拟,如图2所示



2 常压塔工艺流程图

通过分析性能指标,发现时域性能指标更适合应用于该实验环境。利用该性能指标,验证数字孪生系统中十个控制回路的控制效果,如图3所示。



3 数字孪生系统中回路控制效果

通过使用时域性能指标来比较UniSim仿真系统优化前后12个控制回路的控制效果,控制器的性能得到了极大改善,如表1所示。

智能优化前后控制器性能比较


结论:

在应对不同的运行条件时,过程变化和非线性因素的重要性毋庸置疑。为了确保最佳的动态过渡性能,本文结合可靠的递归识别技术、全面的性能指标分析和改进的PSO算法,提出了一种在线慢率LMPSO-PID整定方案。然而,本文提出的在线慢率PID更新方案中涉及的大部分超参数值都是通过仿真测试获得的,缺乏理论依据。今后,将结合工业现场人工经验和数学理论知识,定量确定超参数值,如PID参数值范围、模型阶次选择和权重等。此外,基于PSO算法的控制器的理论验证也值得进一步研究。

通讯作者简介:

王珠,男,博士,中共党员,现任中国免费靠逼视频(北京)副教授、硕士生导师。2016年至今在中国免费靠逼视频(北京)自动化系工作,现任北京人工智能学会理事、中国化工学会信息技术应用专业委员会青年委员。

长期从事系统辨识与智能控制、石化过程故障预警、工艺优化、及基于深度学习与数据挖掘的时间序列预测等方面研究工作,以第一作者或通讯作者身份发表高水平学术期刊论文20余篇。主持国家自然科学基金项目及多个重点流程工业企业的横向项目。